M206

Order Number: XX-60F80-BC

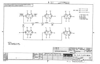
This document is a schematic diagram titled "SIX FLIP-FLOPS M206" (part number M206-0-1, Rev B) from Digital Equipment Corporation, copyrighted 1967.

It illustrates a circuit featuring six cascaded flip-flops (labeled FF0 through FF5). These flip-flops are implemented using integrated circuits (specifically, DEC 7474N) and include various input/output connections, such as Direct Clear, Direct Set, and labeled pins (e.g., F1, E1, F2, K1, N2, R1, U2). Jumper connections are shown between certain stages (e.g., between TAB A1 and TAB FF1, and TAB FF1 and TAB FF2), suggesting configurable linking.

The circuit operates on a +5V power supply, with specific notes indicating Pin 7 on each IC connects to Ground and Pin 14 to +5V. It also includes four .01µF, 100V capacitors (C1-C4) for power supply decoupling.

The schematic is furnished solely for test and maintenance purposes and is proprietary to Digital Equipment Corporation.

XX-60F80-BC
2000
1 pages
Quality

Original
72.3kB

Site structure and layout ©2025 Majenko Technologies