M177

Order Number: XX-88374-24

This document is a proprietary electronic schematic from Digital Equipment Corporation, copyrighted in 1970 and intended for test and maintenance purposes.

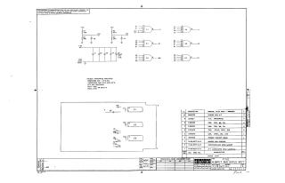
The schematic, titled "FIVE 4 INPUT AND GATES M177," details a circuit utilizing multiple DEC1074H21 integrated circuits configured as 4-input AND gates. It shows power supply connections (+5V, +3V, and GND), along with associated resistor and capacitor networks.

General specifications indicate that resistors are 1/4 W, 5%, and capacitors are .01UF, 100V, 20% (unless otherwise noted, with some capacitors being 39uF, 10V, 10%). For the ICs, Pin 7 is Ground and Pin 14 is +5V.

A parts list is included, detailing components such as the DEC1074H21 ICs, various resistors (220 and 330 ohms), capacitors (.01uF and 39uF), an etched circuit board, and mechanical parts like a handle and eyelets, along with module history and layout information. The drawing was created by A. Cooper on December 5, 1970, for the M177-0-1, Revision A printed circuit board.

XX-88374-24
1970
1 pages
Quality

Original
61.1kB

Site structure and layout ©2025 Majenko Technologies