G854

Order Number: XX-08F72-A5

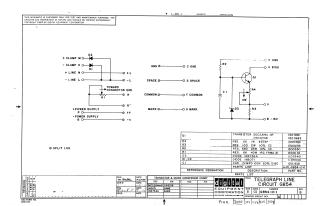
This document is a circuit schematic titled "TELEGRAPH LINE CIRCUIT G854," part number CS G854-0-1, from Digital Equipment Corporation, copyrighted 1967.

It explicitly states that it is furnished only for test and maintenance purposes and that the circuits are proprietary.

The schematic details the electronic components for the circuit, including:

  • Input/output connections for clamp, line, power supply, ground, space, common, and mark signals.
  • A core circuit featuring a transistor (Q1), multiple resistors (R1-R4), diodes (D1, D2, D3), and a capacitor (C1).

A comprehensive "PARTS LIST" is included, providing specific details (e.g., type, value, wattage, tolerance, manufacturer part numbers) for each component. There is also a "TRANSISTOR & DIODE CONVERSION CHART" mapping DEC part numbers to EIA equivalents. The document is at revision B, with the printed circuit revision A.

XX-08F72-A5
1967
1 pages
Quality

Original
78.4kB

Site structure and layout ©2025 Majenko Technologies