Diode Gate B133

Order Number: B-CS-B133-0-1

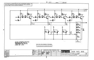
This document is a detailed proprietary schematic for a "DIODE GATE B133" circuit, copyrighted 1966 by Digital Equipment Corporation. It is intended for test and maintenance purposes.

The circuit design features four transistors (2N4258), numerous diodes (primarily D-662/IN645, with D-664/IN3606 also specified), various resistors (generally 1/4W, 5% tolerance), and capacitors (.01 MFD). It requires power inputs of +10V, -15V, GND, and a -3V supply.

The document includes a transistor and diode conversion chart, general specifications for passive components, and a reference to use the "ETCH BOARD OF THE BI13." It also contains revision history for the drawing.

B-CS-B133-0-1-00B
September 1966
1 pages
Quality

Original
68.2kB

Site structure and layout ©2025 Majenko Technologies