Audio Cassette Interface

Order Number: E032

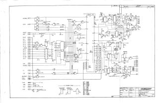
Summary: This document is a technical schematic for an Audio Cassette Interface circuit board (Part Number 12082) designed by PC/M. The circuit utilizes various TTL logic integrated circuits (series 74LS/74) to manage input/output data, clocking, and signal conditioning for audio cassette data storage. Key features include:

  • Logic Gates and Flip-Flops: The board uses a wide array of logic components (e.g., U1–U25) to handle signal routing, including skip logic, interrupt requests (INTREQ), and reset functions.
  • Data Handling: It interfaces with a 12-bit data bus (DX0–DX11) and manages serial data transmission/reception (XMT/RCV).
  • Analog/Audio Section: The right side of the schematic details the audio signal processing, incorporating transistors (Q1–Q4) and a transformer (T1) to facilitate data input and output via cassette audio ports.
  • Power Distribution: The bottom section specifies the power requirements, indicating that the board operates on +5V, +12V, and -12V, with a breakdown of power pins for all integrated circuits used.
E032
2000
1 pages
Quality

Original
96.7kB

Site structure and layout ©2025 Majenko Technologies