Memory Extension Control

Order Number: XX-XXXXX-XX

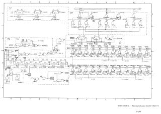
This document consists of five schematic sheets detailing the memory extension control circuitry for the MC8I system.

  • Sheet 1: Illustrates the memory extension control logic, including address decoding, manual preset functions, and interface controls for managing memory bank selection.
  • Sheet 2: Focuses on the status and enable logic, detailing the handling of memory extension signals, interrupt inhibits, and processor control lines related to memory expansion.
  • Sheet 3: Displays the inhibit driver circuitry, which handles signal assertion for memory parity and the selection of specific memory banks (B-fields).
  • Sheet 4: Details the X-axis selection matrix, showing the diode-based decoding logic used to select specific lines within the memory array based on address inputs.
  • Sheet 5: Details the Y-axis selection matrix, providing the corresponding decoding logic for the Y-axis, which functions similarly to the X-axis to complete the memory address selection path.

The documentation follows DEC Standard 054 for signal naming conventions, where signals represent the asserted state for high (H) levels.

XX-XXXXX-XX
2000
5 pages
Quality

Original
0.5MB

Site structure and layout ©2025 Majenko Technologies