One Step Power Control Panel 834B

Order Number: XX-XXXXX-XX

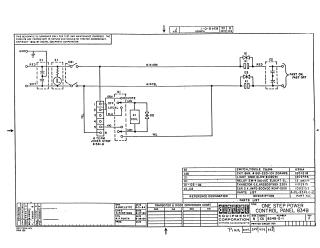
This document provides a technical schematic for a "One Step Power Control Panel," designed and copyrighted by the Digital Equipment Corporation. The schematic illustrates the electrical wiring layout for the control unit, featuring a six-terminal Jones strip, a toggle switch (S1), a circuit breaker (CBI), relays (K1), capacitors (C1, C2), and thyrectors (D1, D3). Additionally, the document includes a comprehensive parts list detailing the specifications and part numbers for the components used, along with notes regarding the proprietary nature of the circuitry for test and maintenance purposes.

XX-XXXXX-XX
2000
2 pages
Quality

Original
0.2MB

Site structure and layout ©2025 Majenko Technologies