One Step Power Control Panel 834b

Order Number: XX-XXXXX-XX

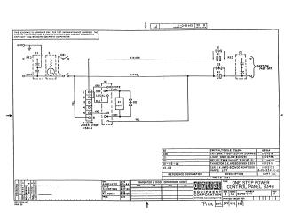
This document provides technical schematic diagrams for the "One Step Power Control Panel 834b," manufactured by Digital Equipment Corporation. The schematics detail the electrical wiring and component integration, including a circuit breaker, toggle switch, relay, capacitors, and a thyrector. The document also includes a parts list specifying the manufacturer and part numbers for each component used in the assembly, intended for test and maintenance purposes.

XX-XXXXX-XX
2000
2 pages
Quality

Original
0.2MB

Site structure and layout ©2025 Majenko Technologies