Ax08 - Laboratory Peripheral

Order Number: XX-XXXXX-XX

Summary

The AX08 is a hardware peripheral designed for integration with PDP-8/L or PDP-8/I computer systems. It consolidates multiple analog and digital interface functions into a single unit, providing a compact and efficient solution for laboratory computing environments.

Key components and functionality include:

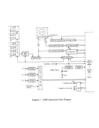
  • Analog-to-Digital Converter (ADC) Section: Includes preamplifiers, a multiplexer, a sample-and-hold circuit, and a 9-bit successive approximation converter to handle analog signal processing.
  • Timing and Clocks: Features both a crystal-controlled clock for precise timing and an RC clock for variable frequency timing (16 Hz to 200 kHz).
  • Registers:

    • Enable Register: Manages program interrupts and system conditions (such as ADC completion, timing errors, and relay control).
    • External Register: Acts as a buffer for external digital inputs, allowing the computer to read external device states. It includes mechanisms for "zero dead time" processing.
  • Display Control: Drives an oscilloscope display using two 9-bit digital-to-analog converters (X and Y coordinates), allowing for visual data representation.

  • Schmitt Triggers: Threshold detectors used for triggering events based on incoming analog signals or pulses.
  • I/O Instructions: The document provides a comprehensive summary of instructions used to control the AX08, manage input/output transfers, and configure operational modes.

The system is modular, supporting various options (such as Options XR and XM) to expand its capacity for additional analog channels, digital inputs, outputs, and pulse inputs.

XX-XXXXX-XX
2000
10 pages
Quality

Original
0.8MB

Site structure and layout ©2025 Majenko Technologies