Index Wiring List

Order Number: E950

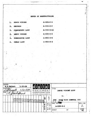
This document serves as the master wiring and drawing index for the Digital Equipment Corporation Tape Control 550. It includes:

  • Manufacturing Order: Lists the primary assembly sequence for power wiring, grounds, components, logic wiring, terminator lists, and cable lists.
  • Master Drawing List: Provides a comprehensive catalog of production drawings (mechanical and electrical), interconnecting cables, service/checkout drawings, and user documentation (manuals and spare parts lists).
  • Wiring and Component Data: Contains detailed wiring lists, plug-to-taper pin information, selection plug configurations, terminator lists, and module procurement lists.
  • Checkout Procedures: Outlines the general and detailed steps for testing the 550 tape control, including power-up, signal verification, and maintenance of engineering change orders (ECOs).
  • Wiring Sheets: Includes specific wiring and general interconnect schedules for real-time sections and control plugs.
E950
2000
67 pages
Quality

Original
5.7MB

Site structure and layout ©2025 Majenko Technologies