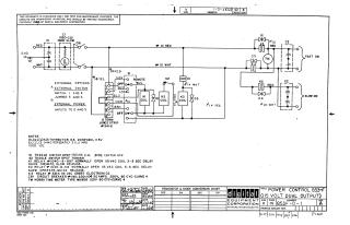
Power Control 853-F (115 Volt Dual Output)

Order Number: XX-XXXXX-XX

This document is a schematic diagram for a Power Control unit (853-F) manufactured by the Digital Equipment Corporation. The circuit is designed for a 115-volt dual output system featuring "Fast On" and "Slow On" capabilities.

Key components detailed in the schematic include:

  • Switching: A dual-pole, double-throw (DPDT) center-off toggle switch and a single-pole, double-throw (DPST) toggle switch.
  • Relays: Three distinct relays (K1, K2, and K3) used for control logic, including specific models with 3-5 second delay characteristics.
  • Safety and Protection: A circuit breaker (CBI), thyrectors (D1-D5) for voltage surge protection, and capacitor banks.
  • Monitoring: An Omni-Glow indicator light and a Hobbs time meter (TM) for tracking usage duration.

The document serves as a technical reference for testing and maintenance, outlining the wiring paths between the input, control switches, relays, and the resulting power outputs.

XX-XXXXX-XX
2000
1 pages
Quality

Original
95.6kB

Site structure and layout ©2025 Majenko Technologies