Power Control 853-E (230 Vac Two Step)

Order Number: S196

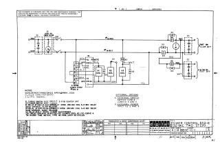
This document is a technical schematic for a 230 VAC two-step power control system designed by the Digital Equipment Corporation in 1968. The diagram details the electrical configuration, including a six-terminal Jones strip, various relays (K1, K2, K3), thyrectors, capacitors, and a Hobbs time meter. The schematic illustrates how to manage "Fast On/Slow Off" and "Slow On/Fast Off" operations and provides notes on component specifications, as well as instructions for optional external switching and power input configurations.

S196
2000
1 pages
Quality

Original
97.2kB

Site structure and layout ©2025 Majenko Technologies