Overvoltage Protector 846

Order Number: Z846

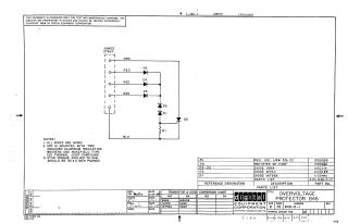
This document is a technical schematic for the Overvoltage Protector 846, copyrighted in 1968 by the Digital Equipment Corporation. It outlines the wiring diagram, which includes a Jones strip connected to a series of diodes (D1-D6) and a resistor (R1).

Key details provided in the document include:

  • Notes: Specifications for assembly, including the use of 18AWG wire and specific mounting instructions for the SCR (Silicon Controlled Rectifier) using insulating washers, thermal joint compound, and a torque specification of 30 ± 5 inch-pounds.
  • Parts List: A comprehensive table listing the components used, their reference designations, descriptions, and part numbers.
  • Transistor & Diode Conversion Chart: A small reference table mapping internal components to their industry-standard (EIA) equivalents.
Z846
2000
1 pages
Quality

Original
70.1kB

Site structure and layout ©2025 Majenko Technologies