Power Supply 783

Order Number: XX-XXXXX-XX

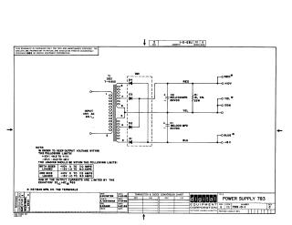
This document is a technical schematic for a Digital Equipment Corporation power supply unit. It illustrates a circuit featuring a transformer (T1), a diode bridge (DM1), and two large filter capacitors (C1 and C2) to provide dual outputs of +10V and -15V. The schematic includes specific operating constraints, such as voltage tolerance limits and recommended amperage loading for both single and dual-load configurations, as well as an equation for calculating the sum of output currents.

XX-XXXXX-XX
2000
1 pages
Quality

Original
45.5kB

Site structure and layout ©2025 Majenko Technologies