Power Supply 725

Order Number: Z725

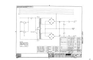
This document is a technical schematic for the Digital Equipment Corporation Power Supply 725. It illustrates the electrical circuit design, including the transformer (T1), bridge rectifiers (D1, D2), capacitors (C1, C2), and associated fuses and resistors. The schematic also includes a configuration note for adjusting input voltage (117V or 220V) via jumper settings, as well as a parts list detailing component descriptions and their corresponding part numbers for maintenance and repair purposes.

Z725
2000
1 pages
Quality

Original
85.7kB

Site structure and layout ©2025 Majenko Technologies