Scope Intensifier W681

Order Number: W681

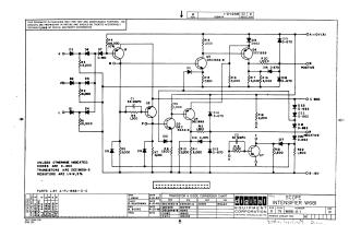
This document is a technical schematic diagram for a Scope Intensifier circuit (Model W681) manufactured by Digital Equipment Corporation in 1965. The schematic details the electrical connections for the circuit, which includes multiple transistors (models DEC3639-B, DEC3646-B, and DEC999), various diodes (such as D-662, D-664, and D-670), and several resistors and capacitors. The document also provides a parts list reference (A-PL-W681-0-0) and a transistor/diode conversion chart, noting that unless otherwise specified, resistors are 1/4W, 5% tolerance. The circuit is designed to operate with inputs for positive and negative signals and power supply rails of +10V and -15V.

W681
2000
1 pages
Quality

Original
97.6kB

Site structure and layout ©2025 Majenko Technologies