Pulse Amplifier W607

Order Number: W607

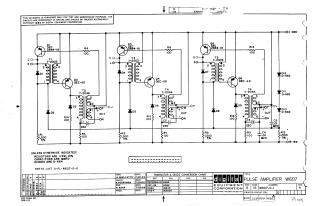
This document is a technical schematic diagram for a Pulse Amplifier (module W607) manufactured by the Digital Equipment Corporation in 1964. The circuit utilizes three identical amplifier stages, each consisting of DEC 2894-1B transistors, pulse transformers (T-2003 and T-2046), and associated resistors, capacitors, and diodes. The schematic details the electrical interconnections, component values (including 1/4W resistors and MMFD capacitors), and power requirements (-15V supply and ground). It also includes a transistor and diode conversion chart and references the associated parts list (A-PL-W607-0-0).

W607
2000
1 pages
Quality

Original
0.1MB
W607
2000
1 pages
Quality

Original
65.4kB

Site structure and layout ©2025 Majenko Technologies