3 Phase Low AC Voltage Detector W509

Order Number: W509

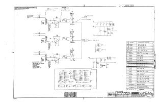
This document is a technical schematic and parts list for a "3 Phase Low AC Voltage Detector" (model W509), dated 1971 by the Digital Equipment Corporation.

The schematic illustrates a circuit designed to monitor 12.0V AC RMS center-tapped line inputs. It features a series of logic gates (DEC 9601, 710, 7410) and timing components to detect signals, specifically incorporating a threshold for 10ms (50Hz) or 8.3ms (60Hz) timing cycles. The document includes a detailed parts list—cataloging various resistors, capacitors, diodes, and integrated circuits—as well as an assembly/drilling hole layout for the circuit board.

W509
2000
1 pages
Quality

Original
0.1MB

Site structure and layout ©2025 Majenko Technologies