Schmitt Trigger W501

Order Number: W501

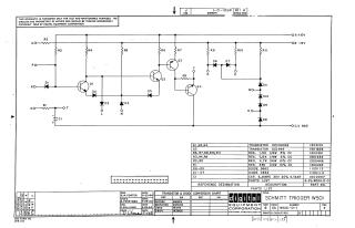
This document is a technical schematic diagram for a Digital Equipment Corporation (DEC) Schmitt Trigger circuit, model W501, dated 1964. It outlines the electronic design of the circuit, which utilizes four transistors (three DEC3009B and one DEC999), several resistors, diodes (D662 and D664), and a tantalum capacitor. The document includes a detailed parts list, a transistor and diode conversion chart for reference, and notes regarding the proprietary nature of the circuit for testing and maintenance use.

W501
2000
1 pages
Quality

Original
84.6kB
W501
2000
2 pages
Quality

Original
65.5kB

Site structure and layout ©2025 Majenko Technologies