Teletype Connector W076

Order Number: W076

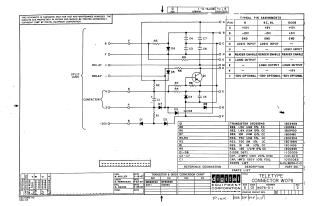
This document is a technical schematic for a Digital Equipment Corporation "Teletype Connector W076" circuit board. It details the electrical connections, component layout, and pin assignments (for models 8, 8I, 8L, and DC08). The diagram illustrates the configuration of resistors, capacitors, diodes, and a transistor (DEC6534D) used for logic input/output, reader enablement, and relay/contactor control. A full parts list including component specifications and their corresponding part numbers is provided.

W076
2000
1 pages
Quality

Original
0.1MB

Site structure and layout ©2025 Majenko Technologies