Dual Flip Flop S205

Order Number: S205

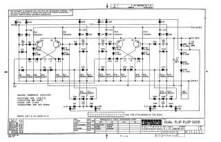
Summary: This document is a technical schematic diagram for a "Dual Flip Flop S205" circuit, produced by the Digital Equipment Corporation in 1965. The schematic details the electronic components and layout of the circuit, which utilizes multiple transistors (DEC 3639C), various diodes (D-662, D-664), resistors, and capacitors. The diagram includes connection points for voltage inputs (+10V, -15V, GND), logic signals, and specific assembly instructions noting that it uses the etch board of the R205.

S205
2000
1 pages
Quality

Original
0.1MB

Site structure and layout ©2025 Majenko Technologies