Diode Gate S111

Order Number: S111

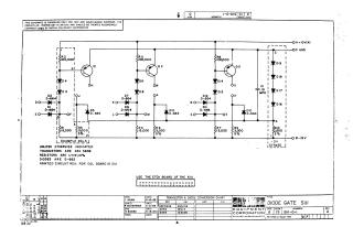
This document is a technical schematic for a Diode Gate circuit (S111) manufactured by the Digital Equipment Corporation. The circuit utilizes three transistors (Q1, Q2, Q3), various D-664 diodes, and resistors to perform gate logic. The schematic includes voltage specifications (+10V and -15V), component values, and a transistor/diode conversion chart for reference. It is designated for test and maintenance purposes and notes that the circuit is proprietary property of the manufacturer.

S111
2000
1 pages
Quality

Original
84.4kB

Site structure and layout ©2025 Majenko Technologies