Rsd-R210 Pdp-8 Accumulator

Order Number: R210

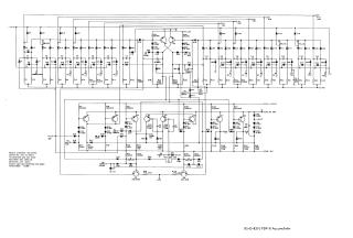
This document is a technical schematic diagram for the Accumulator circuit of the DEC PDP-8 computer. The diagram details the electrical interconnections, including transistors (DEC 3639, DEC 3009), diodes (D-662), and resistors, used to manage accumulator operations and data signals. It specifies component values such as capacitor ratings (82 MMFD), resistor specifications (1/8W, 5%), and note-specific diode selections (D664) for shunt capacitance. The schematic illustrates various input/output points, power rails (-15V, -7V, +10V), and internal logic gating components.

R210
2000
1 pages
Quality

Original
0.1MB

Site structure and layout ©2025 Majenko Technologies