Kt8-a Terminator

Order Number: M9020-0-1

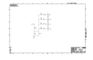
This document is an electrical schematic for a "KT8-A Terminator" module, dated December 1977, by Digital Equipment Corporation. The circuit design features a voltage regulation or conditioning section consisting of a 15V Zener diode (D1), a 1k-ohm resistor (R1), and a 6.8 uF capacitor (C1). It connects a +20V input to four output lines (RBS0 L through RBS3 L), each filtered through a 220-ohm resistor. These outputs are routed through a connector (J1) to provide terminated signals.

M9020-0-1
2000
1 pages
Quality

Original
35.6kB

Site structure and layout ©2025 Majenko Technologies