Simple Clock M870

Order Number: M870

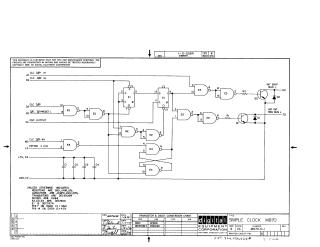
Summary: This document is a technical schematic for the "Simple Clock M870," designed by Digital Equipment Corporation (DEC) in 1970. The circuit utilizes standard logic gates (DEC7400 series) and flip-flops (DEC7474) to generate timing signals. Key features include:

  • Logic Components: The schematic incorporates multiple NAND gates (E2, E3, E4) and D-type flip-flops (E1) to handle clock and preset inputs.
  • Output Stage: The design features two transistor-driven output stages (Q1 and Q2) that drive the "INT SKIP BUS L" and "INT INT REQ BUS L" lines.
  • Power and Passive Components: The board requires a +5V power supply with decoupling capacitors (C1–C4) and utilizes specific resistor values (390 ohm) and diodes (D664).
  • Specifications: It includes a "Transistor & Diode Conversion Chart" mapping internal DEC component part numbers (D664, DEC3009B) to industry-standard EIA components (1N3606, 2N3009B).
M870
2000
1 pages
Quality

Original
48.8kB

Site structure and layout ©2025 Majenko Technologies