Interrupt Control M7820

Order Number: M7820-0-1

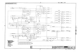
Summary This document is a schematic diagram for the Digital Equipment Corporation M7820 Interrupt Control circuit board. The diagram details the logic gate configuration (utilizing standard TTL components like 7400-series ICs), transistor-based signal conditioning, and passive components (resistors, capacitors) required to manage bus interrupt signals (INT, BG, BUS BR, etc.) and generate corresponding control signals (e.g., BUS INTR L, INTR DONE). It outlines the electrical connections for interrupt prioritization and bus request/grant handshaking protocols.

M7820-0-1
2000
1 pages
Quality

Original
96.0kB
M7820-0-1
2000
97 pages
Quality

Original
13MB

Site structure and layout ©2025 Majenko Technologies