Forward B.O.T. Timer M7670

Order Number: M7670-0-1

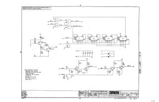
This document is a technical schematic for the "Forward B.O.T. (Beginning of Tape) Timer," a circuit module produced by Digital Equipment Corporation in 1970. The schematic details the electrical configuration of the M7670 module, which incorporates logic gates (DEC 7402), multiple counters (DEC 74197), various transistors (DEC 3009B), diodes, resistors, and capacitors. It provides wiring paths for signals such as "D for H," "Clock L," and various voltage inputs (+5V, -15V, GND) necessary for the timer's operation. Also included is a conversion chart for transistor and diode types used within the circuit.

M7670-0-1
2000
1 pages
Quality

Original
70.0kB

Site structure and layout ©2025 Majenko Technologies