Memory Detection M720

Order Number: M720

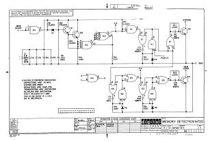
This document is a technical schematic for the "Memory Detection M720" circuit board designed by the Digital Equipment Corporation in 1967. The circuit utilizes several logic gates (specifically the DEC7400N and DEC7460N series), transistors (DEC3009B), diodes (D664), and various resistors and capacitors to process signals. The schematic details two primary functional paths: one originating from "MEM START V" leading to "STROBE E," and another path involving inputs "S" and "T" leading to "MEM DONE D." The document includes standard component specifications and a conversion chart for the transistors and diodes used on the board.

M720
2000
1 pages
Quality

Original
89.6kB

Site structure and layout ©2025 Majenko Technologies