Transistor and Diode Conversion Chart 50 Ohm Or Bus Driver

Order Number: M663

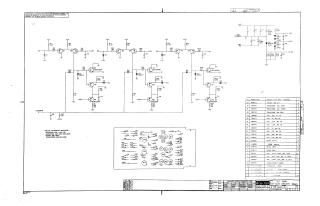
This document is a technical schematic for the M663 50 Ohm "OR" Bus Driver, manufactured by the Digital Equipment Corporation. The diagram illustrates the electrical circuitry, including a series of transistors (DEC 4258, DEC 30098, and DEC 2904) and various diodes and resistors configured to manage signal routing. It includes a detailed component layout/pinout diagram and a parts list specifying values for resistors, capacitors, and semiconductors. The document also provides a conversion chart for the transistors and diodes used in the circuit.

M663
2000
1 pages
Quality

Original
92.8kB

Site structure and layout ©2025 Majenko Technologies