Positive Level Driver M661

Order Number: M661

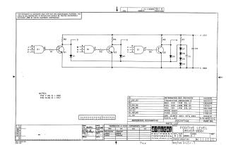
This document is a technical schematic for a "Positive Level Driver M661" circuit, published by the Digital Equipment Corporation in 1968. The schematic illustrates a three-stage driver circuit utilizing integrated circuits (DEC7410N), transistors (DEC3009B-S), and various resistors, diodes, and capacitors. The document includes a detailed parts list specifying component values and part numbers, along with a transistor and diode conversion chart. The schematic is intended for test and maintenance purposes and notes that pin 7 of the integrated circuits is connected to ground, while pin 14 is connected to +5V.

M661
2000
1 pages
Quality

Original
84.6kB

Site structure and layout ©2025 Majenko Technologies