Pulse Generator M602

Order Number: M602

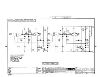
This document is a technical schematic for the Digital Equipment Corporation Pulse Generator, model M602. The circuit diagram outlines a dual-channel pulse generation circuit powered by a +5V source, utilizing DEC74H40N integrated circuits and DEC3639B transistors. The document includes a "Transistor & Diode Conversion Chart" for maintenance purposes, along with general component specifications, such as standard resistor tolerances, capacitor values, and IC pin configurations for ground and power.

M602
2000
1 pages
Quality

Original
52.1kB

Site structure and layout ©2025 Majenko Technologies