M515 Real Time Clock

Order Number: M515

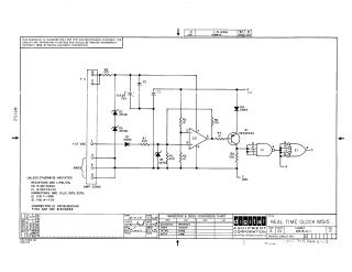
Summary The M515 is a module designed to convert standard sinusoidal power waveforms into timing gates. It functions as a real-time clock and provides complementary timing gates through its output pins. Key technical specifications include a 12 Vac input, specific load-driving capacities for output pins D2 (36 unit loads) and E2 (31 unit loads), and a power dissipation profile of 5V at 55 mA and 10V at 30 mA.

M515
2000
1 pages
Quality

Original
23.3kB
M515
2000
1 pages
Quality

Original
47.0kB

Site structure and layout ©2025 Majenko Technologies