Schmitt Trigger M501

Order Number: M501

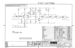
This document is a technical schematic for a Schmitt Trigger circuit (M501) designed by Digital Equipment Corporation in 1968. The circuit utilizes an integrated circuit (DEC7400N) in conjunction with various transistors (DEC4258 and DEC3009B-S), diodes, resistors, and capacitors to perform its function. The provided diagram illustrates the electronic connections and component layout, while the included parts list specifies the reference designations, component descriptions, and part numbers required for maintenance and assembly. The document also includes a transistor and diode conversion chart and notes regarding pin configurations for the integrated circuit.

M501
2000
1 pages
Quality

Original
0.1MB

Site structure and layout ©2025 Majenko Technologies