Reed Clock M410

Order Number: M410

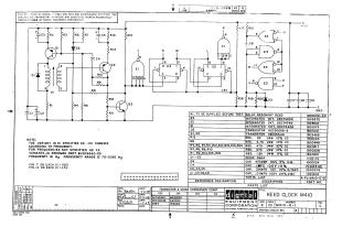
This document is a technical schematic and parts list for the Digital Equipment Corporation "Reed Clock M410," dated 1968.

Summary:

  • Schematic: The document provides the circuit diagram for a resonant reed clock, illustrating the connections between integrated circuits (DEC7400N, DEC7474N, DEC7440N), transistors (DEC6534D, DEC3009B-S), diodes, capacitors, and resistors.
  • Specifications: It specifies that the resonant reed (K1) is a variant component that changes based on the required frequency (ranging from 70 Hz to 3150 Hz).
  • Parts List: The document includes a comprehensive table detailing the reference designators, component descriptions (values, tolerances, etc.), and their corresponding part numbers.
  • Additional Data: It features a transistor and diode conversion chart and indicates that the circuit operates with a +5V and +3V power supply, with pin 7 as Ground and pin 14 as +5V for the integrated circuits.
M410
2000
1 pages
Quality

Original
0.1MB

Site structure and layout ©2025 Majenko Technologies