Variable Delay

Order Number: M363

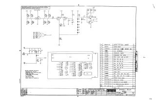
This document is a technical schematic and parts list for a "Variable Delay" circuit module (M363) designed by the Digital Equipment Corporation.

Summary:

  • Purpose: The schematic provides the circuit design, component connections, and specifications for a variable delay module used in technical equipment.
  • Key Components: The module incorporates various transistors (DEC 3009B, 2N4258), diodes (FD777, D662), and a delay line (1610079-0). It also features an integrated circuit (DEC 1074H55).
  • Technical Specifications: The document includes a parts list detailing resistance and capacitance values, as well as specific assembly instructions for the circuit board.
  • Maintenance: It is explicitly stated that this schematic is provided for test and maintenance purposes only, and the underlying circuit designs are proprietary to the Digital Equipment Corporation.
M363
2000
1 pages
Quality

Original
99.0kB

Site structure and layout ©2025 Majenko Technologies