M311 Tapped Delay Lines

Order Number: M311

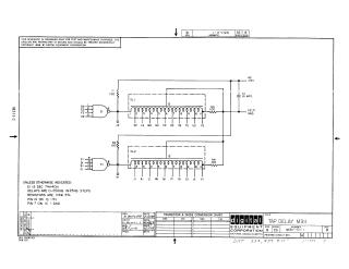
Summary The M311 module is a hardware component containing two tapped delay lines. Each line provides ten taps with 25 ns intervals ranging from 25 ns to 250 ns, with a delay tolerance of ±5%. An internal NAND gate adds up to 10 ns of additional delay. The module requires a 5V power supply at 170 mA (maximum), presents 1.25 TTL unit loads per input, and features an output driving capability of 1.25 unit loads (with a total maximum line capacity of 6 unit loads).

M311
2000
1 pages
Quality

Original
29.4kB
M311
2000
1 pages
Quality

Original
42.4kB

Site structure and layout ©2025 Majenko Technologies