Delay Line M310

Order Number: M310

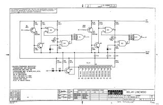
This document is a technical schematic for the "Delay Line M310," produced by the Digital Equipment Corporation in 1967. The schematic illustrates the electronic circuitry required for a delay line module, featuring logic gates (DEC7440N and DEC7400N), transistors (DEC3009B and DEC6534B), and a series of delay increments ranging from 50 nsec to 500 nsec. It also includes specific component specifications for resistors, capacitors, and diodes, as well as a transistor and diode conversion chart for maintenance and testing purposes.

M310
2000
1 pages
Quality

Original
93.3kB

Site structure and layout ©2025 Majenko Technologies