Integrating One Shot

Order Number: M3070-0-1

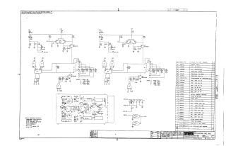
Summary This document is a technical schematic for an "Integrating One Shot" circuit (drawing number M3070-0-1) manufactured by the Digital Equipment Corporation. The circuit utilizes various transistors (such as the 2N4250 and DEC 30098), diodes (D662, SDA-7), and integrated circuits (DEC 9601-1 and DEC1074H00) to create precise timing intervals.

The schematic includes a range selection feature (via potentiometers) that allows for timing adjustments spanning from 200ns to 20ms, organized into five specific ranges. The document also provides a comprehensive parts list, including capacitors, resistors, and switches, and includes a transistor and diode conversion chart for maintenance and testing purposes.

M3070-0-1
2000
1 pages
Quality

Original
0.1MB

Site structure and layout ©2025 Majenko Technologies