Integrating One Shot

Order Number: M307

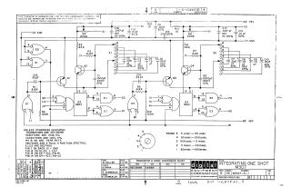
This document is an engineering schematic for an "Integrating One Shot" circuit (Model M307) designed by Digital Equipment Corporation in 1970.

Key Technical Details:

  • Purpose: The circuit functions as a programmable pulse generator or timer with five selectable ranges, extending from 5 microseconds up to 500 milliseconds.
  • Components: The design utilizes DEC 7400-series integrated circuits (E1, E3), 9601 retriggerable monostable multivibrators (E2, E4), and 2N3009 transistors.
  • Controls: It features two 5-position Spectrol switches to configure the timing range.
  • Specifications:

    • Power requirements: +5V (A2) and -15V (B2).
    • Standard components: 1/4W 5% resistors and 100V 5% capacitors, with specific 78PR potentiometers used for R4 and R8.
  • Configuration: The document includes a "Transistor & Diode Conversion Chart" and pin-out assignments for the integrated circuits.

M307
2000
1 pages
Quality

Original
0.1MB

Site structure and layout ©2025 Majenko Technologies