Console Switch Flip Flops M247

Order Number: M247

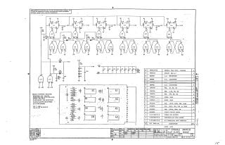
This document is a technical schematic for a Digital Equipment Corporation "Console Switch Flip Flops" module (M247), dated 1970. The schematic details the electrical configuration of the circuit, which includes integrated circuits (DEC 1074H series), resistors, capacitors, and diodes. The document includes a comprehensive parts list detailing 18 components—such as specific I.C. chips, capacitors, diodes, and resistors—as well as associated manufacturing documentation (assembly/drilling hole layouts and coordinate hole locations). It also provides a transistor and diode conversion chart and notes that the schematic is intended strictly for test and maintenance purposes.

M247
2000
1 pages
Quality

Original
0.1MB

Site structure and layout ©2025 Majenko Technologies