5 D Flip Flops

Order Number: M246

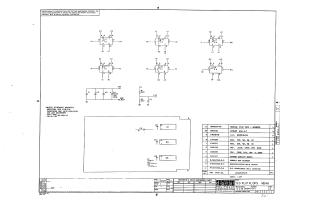
This document is a technical schematic for a "5 D Flip Flops" module (M246), manufactured by the Digital Equipment Corporation in 1970. The schematic illustrates the electrical circuitry for the module, featuring multiple integrated circuits (DEC 7474), resistors, and capacitors. It also includes a parts list detailing the necessary components, such as handles, eyelets, integrated circuits, resistors, and capacitors required to assemble the module, as well as references to associated documentation like the assembly/drilling hole layout and X-Y coordinate hole location.

M246
2000
1 pages
Quality

Original
68.9kB

Site structure and layout ©2025 Majenko Technologies