Six Flip-Flops M206

Order Number: M206

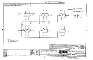
This document is a technical schematic for the Digital Equipment Corporation "Six Flip-Flops M206" module (revision B). It details the circuit layout of five interconnected DEC7474N integrated circuits (flip-flops), including their pin configurations, power connections (+5V and ground), and input/output routing. The schematic provides a parts list, specifying the integrated circuits and capacitors used in the module, as well as a reference for power supply requirements (pin 7 for GND and pin 14 for +5V).

M206
2000
1 pages
Quality

Original
77.7kB

Site structure and layout ©2025 Majenko Technologies