Clock & Regulator G859

Order Number: G859

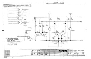
Summary: This document is a technical schematic for a Clock and Regulator circuit designed by the Digital Equipment Corporation in 1969. The circuit utilizes DEC7401 integrated circuits (EI), several transistors (including 2N4923 and DEC6531 types), and various diodes and capacitors to manage power and logic signals. It features inputs for clock signals (Osc 0 and Osc 1) and provides multiple output channels labeled T, R, U, and V. The schematic includes standard reference voltage lines (+5V, -15V, +10V) and a conversion chart for the specific transistors and diodes utilized in the design.

G859
2000
1 pages
Quality

Original
87.0kB

Site structure and layout ©2025 Majenko Technologies