Telegraph Line Circuit 6854

Order Number: G854

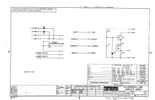
This document is a schematic diagram for the Digital Equipment Corporation Telegraph Line Circuit 6854, dated September 22, 1967.

The document includes:

  • A circuit schematic: Illustrating the connections for clamp, line, power supply, and signal terminals (Space, Common, Mark), along with an internal circuit consisting of a transistor (Q1), capacitors, resistors, and diodes.
  • A parts list: Detailing the specifications for the components used in the circuit, including the transistor (DEC2219A/B), resistors (R1–R4), diodes (D1–D3), and the capacitor (C1).
  • A transistor and diode conversion chart: Providing cross-references for the components used in the assembly.
G854
2000
1 pages
Quality

Original
85.8kB

Site structure and layout ©2025 Majenko Technologies