Motion & Selection Circuit G853

Order Number: G853

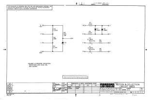
This document is a technical schematic diagram for a Motion and Selection Circuit (G853), published by Digital Equipment Corporation in 1967.

The circuit layout includes:

  • A resistive network: Includes resistors ranging from 100 to 1,500 ohms, with one 180-ohm 2-watt resistor.
  • Diode configuration: Features D664 diodes and a 1N758A Zener diode (D3).
  • Capacitance: Includes two 2.2 MFD, 20V (10%) capacitors.
  • General Specifications: Except where noted, resistors are 1/4W with a 5% tolerance.

The document serves as a proprietary design for test and maintenance purposes.

G853
2000
1 pages
Quality

Original
57.0kB

Site structure and layout ©2025 Majenko Technologies