Scr Motor Driver G850

Order Number: G850

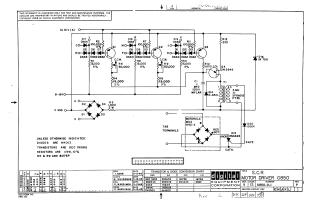
This document is a technical schematic diagram for a Digital Equipment Corporation Silicon Controlled Rectifier (SCR) Motor Driver, dated 1965. The circuit uses several transistors (DEC 3638B, 2N2646), diodes (1N4003, D664, D662, 1N758), and a Motorola MDA 942-5 bridge rectifier to control an SCR (2N4443). The diagram includes technical specifications for components, a transistor and diode conversion chart, and is intended for test and maintenance purposes.

G850
2000
1 pages
Quality

Original
92.5kB

Site structure and layout ©2025 Majenko Technologies