Control for 739 Power Supply G800

Order Number: XX-XXXXX-XX

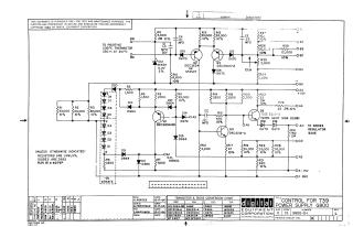
This document is a technical schematic diagram for the Control for 739 Power Supply, published by the Digital Equipment Corporation in 1964. The schematic details the electrical circuit, including various transistors, diodes, and resistors, used for the regulation and control of the power supply unit. It includes specific operational parameters, such as a positive coefficient thermistor rating and standard voltage outputs (+10V, -3V, -15V). Additionally, the document provides a transistor and diode conversion chart to map Digital Equipment Corporation component part numbers to industry-standard (EIA) equivalents.

XX-XXXXX-XX
2000
1 pages
Quality

Original
0.1MB

Site structure and layout ©2025 Majenko Technologies