Inhibit Driver G228

Order Number: XX-XXXXX-XX

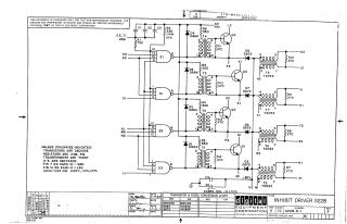
This document is a technical schematic for the "Inhibit Driver G228" circuit board, designed by Digital Equipment Corporation in 1967. The circuit features four identical driver channels, each utilizing DEC7440N integrated circuits, transistors (DEC1008), D664 diodes, and T2052 transformers to drive outputs (P1 through K2). The schematic includes detailed specifications for components, such as resistor values, capacitor ratings, and power supply requirements (+5V and -30V), alongside a transistor and diode conversion chart.

XX-XXXXX-XX
2000
1 pages
Quality

Original
91.6kB

Site structure and layout ©2025 Majenko Technologies