Memory Selector G221

Order Number: XX-XXXXX-XX

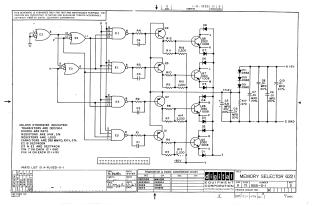
This document is a technical schematic for a Digital Equipment Corporation "Memory Selector" circuit (G221). The circuit utilizes several integrated circuits (DEC7400N and DEC7440N) to drive a series of transistor-based output stages (utilizing DEC2904 and DEC1008 transistors). The design includes various resistors, capacitors, and diodes (D672) to manage signal logic and power regulation, specifically designed to operate with a +5V logic supply and a -30V power rail. The document identifies the circuit components and their configurations, including pinouts for the integrated circuits and a transistor/diode conversion chart for maintenance and testing purposes.

XX-XXXXX-XX
2000
1 pages
Quality

Original
88.2kB

Site structure and layout ©2025 Majenko Technologies