Inhibit Driver G207

Order Number: XX-XXXXX-XX

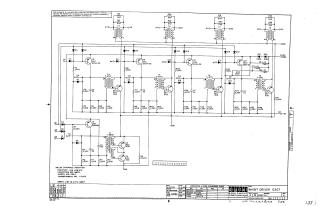
Summary: This document is a technical schematic for a Digital Equipment Corporation (DEC) Inhibit Driver, model G207, revision E. The circuit consists of multiple transistor-based driver stages (using 2894-38 transistors) coupled with pulse transformers (T1 through T9). The schematic includes detailed wiring for inputs (ATO, BTO, BVO, AVO, etc.) and outputs, incorporating numerous resistors, diodes, and capacitors to manage signal processing. It also provides specifications for component values, indicating that resistors are 1/4W 5%, capacitors are measured in MMFD, and diodes are D664 type. The document footer notes that it is a "Transistor & Diode Conversion Chart" reference.

XX-XXXXX-XX
2000
1 pages
Quality

Original
85.7kB

Site structure and layout ©2025 Majenko Technologies